Navigation: X4D Data Import > Document Import > Document Tag Import >

Add Tags Manually to PDF

 

 

 

 

How to add Tags Manually to PDF

 

Sometimes tags are writen in a pretty complex manner to fit the space. For these tags, Tag Patterns may fail. In such cases, tags can be marked manually in the PDF documents aswell using the process below :

Open the File and click on Edit Tag Locations button located in the top bar of the document viewer

 

This should launch the Editing Locations Window.

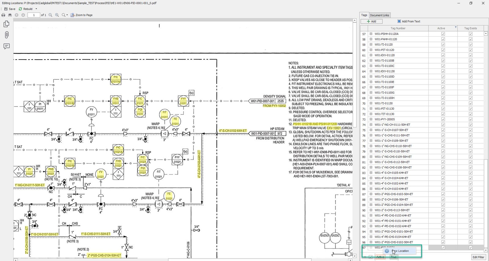
In the below scenario, to add the missing tag W01-FYY-01021 manually, click on the Add button in the Tag List on the right.

Enter the tag number, define the Discipline and Classification for the tag.

Once all details are entered, Click Create.

 

This should create the missing tag and now it would appear at the bottom of the Tag list as shown below.

 

Right click on the newly created tag and click on  New Location.

 

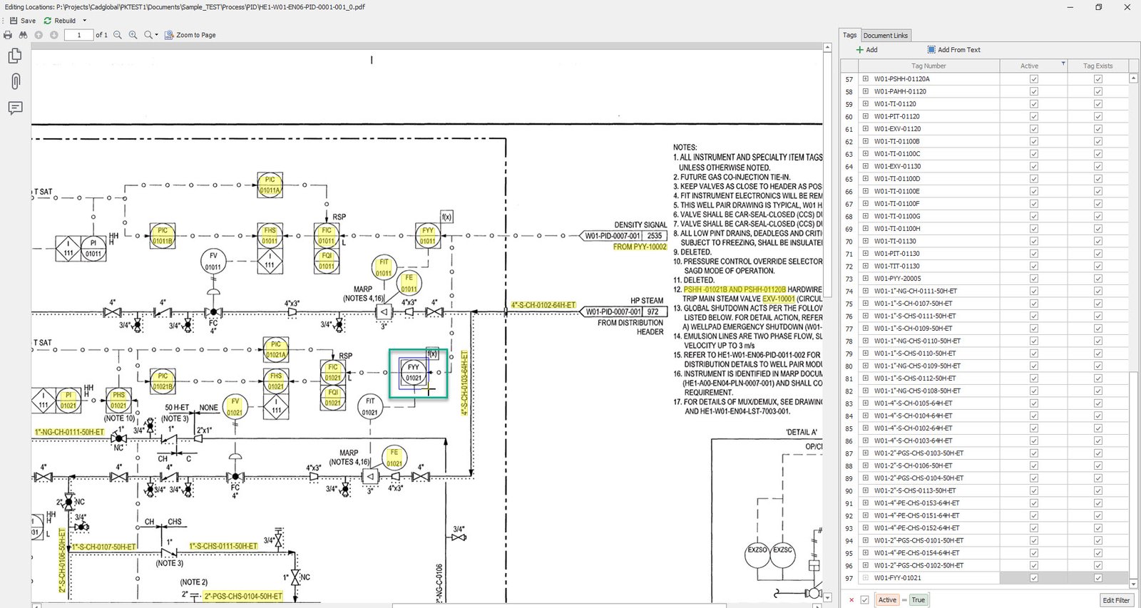
Make a selection around the missing tag on the PDF.

 

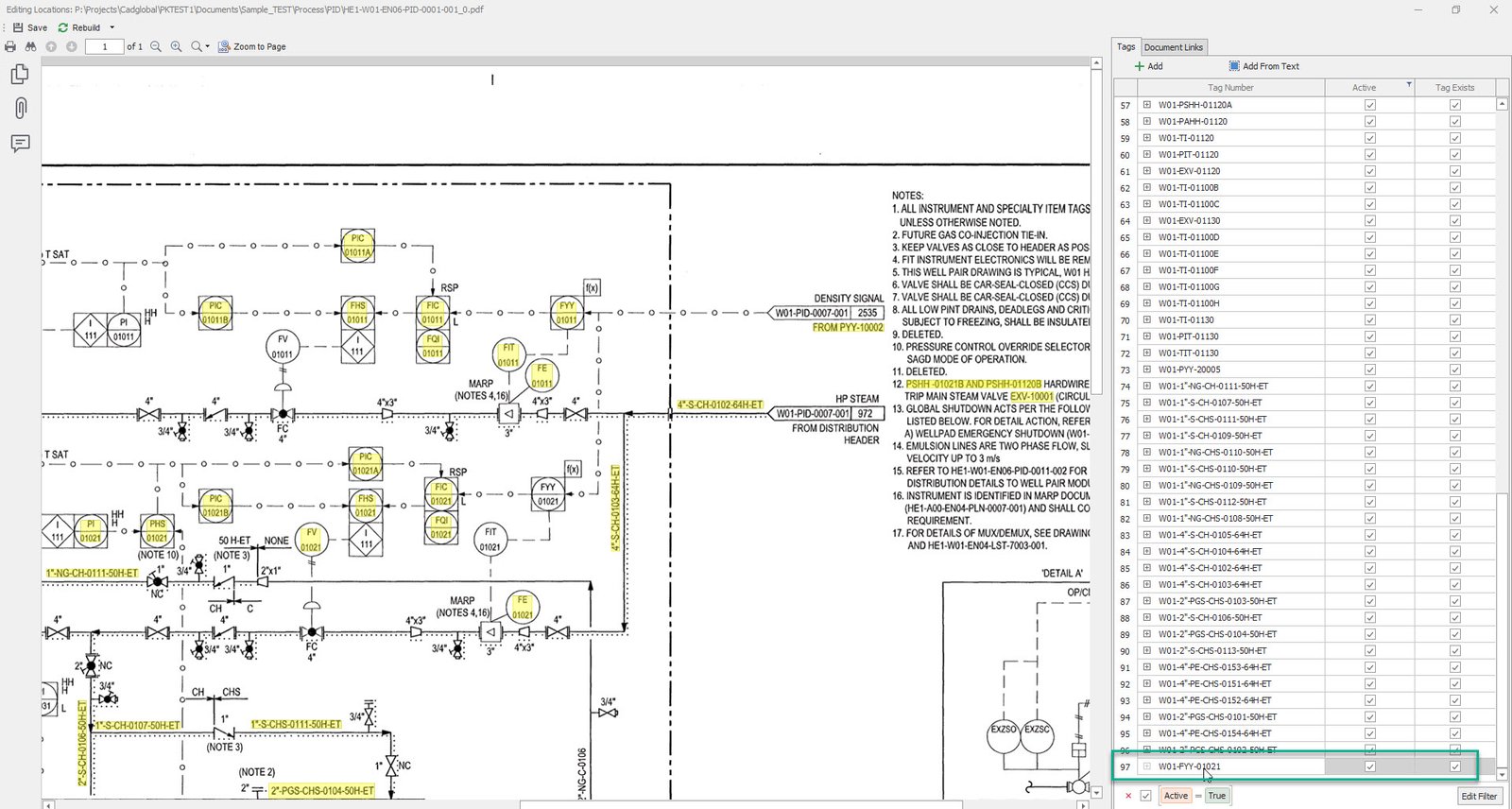
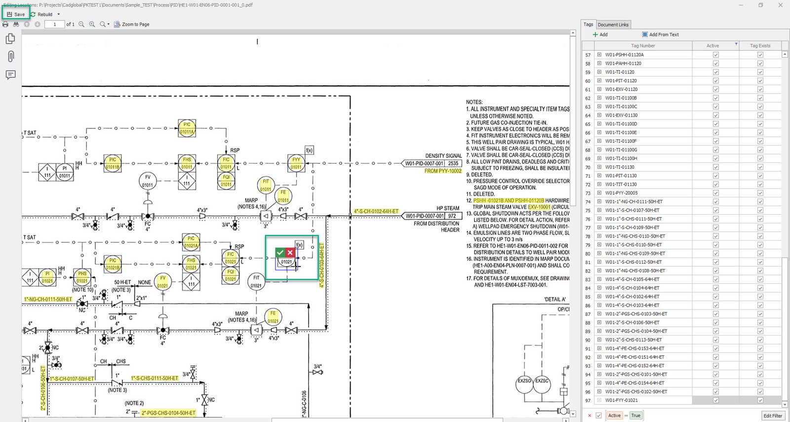
Once the location selection for the tag is made, click on the Green Check mark to accept the location.

This would sucessfully add the location for the Manually Created tag that was missing.

 

After saving the Manually created tag, go to main file and check. The missing Tag should appear now.

 

 

 

 

Copyright © 2026 CAD Global Inc.