|
How to use Edit POCR
The PDF Scans however are getting imporved but still they are not 100% accurate. To imporve the accuracy of the scan, some of the OCR text can be fixed using Edit POCR option in X4D Data Import. The updated POCR files are saved within X4D for tag or tag attributes processing. Unless the document is forcefully scanned again (SHIFT + IMPORT) the scans are always reused. This is done to save cost in cloud scanning.
•Select the File for which we need to check the POCR and click on Edit POCR on the top.
•This should open the File POCR window.
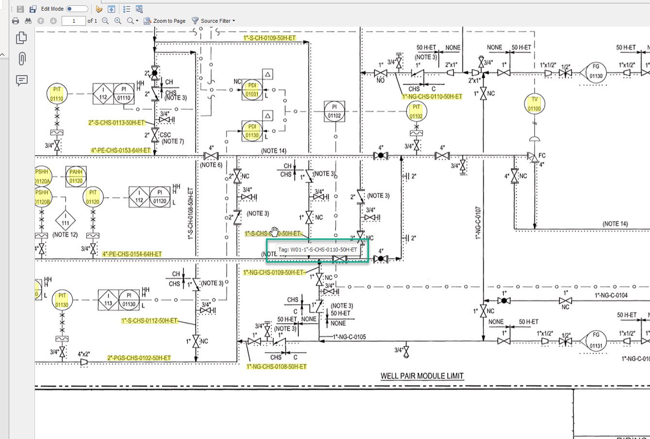
•Right click on the Tag which is required to be corrected.
•Edit the text as required.
•In the below instance, the tag should be 1"-S-CHS-0110-50H-ET instead of 1"-S-CHS-0110-50H-ET-.
•Make the necessary correction by removing “-“ from the end and click OK.
•Once all necessary changes are made, Click on the save button on the top right and close the POCR Window.
•Once done with Editing the POCR, import the File again so the changes made can be reflected in the file.
•The Tag Import may not come up with fresh new tags, as the tag might have been imported in the initial Import.
•Once the file is imported again, you can cross check that the tag to which the changes were made in the POCR is being picked by the system or not.
|